一、产品介绍
牙颌模型三维扫描仪精度测试标准模型符合标准GB/T 39111-2020《牙颌模型三维扫描仪技术要求》,主要用于三维扫描仪几何尺寸真值测量、几何尺寸偏差、3D偏差等精度测试使用。
二、符合标准
GB/T 39111-2020《牙颌模型三维扫描仪技术要求》附录B
三、产品参数
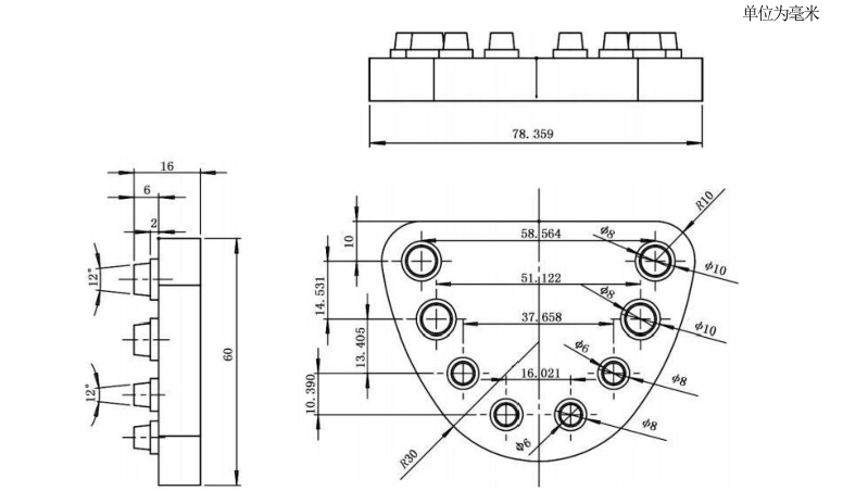
1.牙颌模型三维扫描仪精度测试标准模型样件几何形态上由8个圆锥台和1个底座构成,8个圆锥台按牙弓曲线从小到大对称分布,圆锥台不同大小用于模拟基牙的不同大小;
2.标准样件几何尺寸:

3.标准样件三维图:

4.标准样件几何尺寸测量项目:
a)直径D1=D2=10.00mm、D3=D4=8.00mm;
b)距离d1=58.56mm、d2=56.74mm、d3=55.63mm、d4=53.48mm、d5=43.83mm、d6=29.83mm、d7=15.00mm;
c)高度h=6.00mm。
5.样件材质具备耐磨、耐腐蚀、常温下较小的热膨胀系数等特性,并同时具备可加工性及后续表面漫反射化处理。
6.样件材质为牌号7075的航空铝材系列。
四、检验所招投标应用
1.项目编号:JC202402HG023
2.项目名称:2024年广东省医疗器械质量监督检验所仪器设备采购项目四
3.产品名称:牙颌模型三维扫描仪精度测试标准模型,品牌:西安信捷智检